Лучшие потолочные колонки 2026 года
17.02.2026
Рейтинг от наших инженеров и монтажников.

Встраиваемая акустика редко получает должное внимание в прессе, поэтому мы подготовили собственный гид, опираясь на экспертизу наших инженеров и монтажников. Все модели разделены на три сегмента: начальный, средний и топовый.
На что важно обратить внимание:
- Глубина монтажа: Это решающий фактор. Если пространство за потолком составляет 10 см, модель глубиной 15 см вам не подойдет. Мы указываем этот параметр для каждой позиции в рейтинге.
- Комплектация: Учитывайте, что акустика может продаваться как парами, так и поштучно. Для систем домашнего кинотеатра с нечетным количеством каналов удобнее выбирать поштучные модели или использовать стерео-колонку в качестве центрального канала.
- Тип системы: В списке представлена только пассивная акустика. Для её работы потребуется внешний усилитель или AV-ресивер.
Данный рейтинг сохранит актуальность надолго, так как циклы обновления линеек у производителей составляют от 7 до 10 лет.
Начальный уровень
Лучшая универсальная акустика или акустика начального уровня. Универсальной акустикой мы будем называть акустику, которую можно использовать для фонового звучания, например в спальне или санузле, а также в качестве акустики для домашнего кинотеатра в гостиной.
1. Bowers & Wilkins CCM362
Потолочные акустические системы Bowers & Wilkins разработаны для обеспечения удобной и легкой установки и воспроизведения высококачественного звука. Потолочная акустика серии CCM362 от британской компании Bowers & Wilkins обеспечивает точку входа в сегмент высококачественных инсталляционных громкоговорителей.
Встраиваемая в потолок акустическая система Bowers & Wilkins CCM362
Особенности Bowers & Wilkins CCM362
- 2-х полосная встраиваемая в потолок акустическая система
- ВЧ динамик: 1 х 25 мм, изготовлен из ткани
- НЧ/СЧ динамик: 1 х 160 мм, изготовлен из полипропилена
- Диаметр выреза: 200 мм
- Посадочная глубина: 80 мм
- Круглые защитные решетки (грили) белого цвета в комплекте
- Квадратные защитные решетки опционально
- Продается парами

Точные размеры Bowers & Wilkins CCM362
2. Klipsch DS-160CDT
Получите высокую производительность от встроенного рупора Klipsch. Встраиваемая акустика DS-160CDT оснащена полипропиленовым НЧ диффузором (165 мм) и поворотным ВЧ диффузором из шёлка (25 мм), заключённым в круглый рупор Tractrix® для динамической акустического исполнения. Используя запатентованную систему установки динамиков в потолок SkyHook без использования инструментов по технологии Swarm, время установки сокращается на 75%.
Встраиваемая в потолок акустическая система Focal 100 ICW6
Особенности Klipsch DS-160CDT
- 2-х полосная встраиваемая в потолок акустическая система
- ВЧ динамик: 1 х 25 мм, изготовлен из шёлка в рупоре Tractrix
- НЧ/СЧ динамик: 1 х 165 мм, изготовлен из полипропилена на резиновом подвесе
- Диаметр выреза: 203 мм
- Посадочная глубина: 110 мм
- Продается поштучно

Точные размеры Klipsch DS-160CDT
3. Origin Acoustics D61
Серия Director 60 является мощной и в тоже время сдержанной. Двух полосная конструкция с четырьмя уровнями производительности предлагает решение для систем, которые требуют звуковой чистоты в меньших пространствах. Разделяя технологии с более крупными моделями, серия 60 удивит слушателей своей детальностью и отдачей.
Встраиваемая в потолок акустическая система Origin Acoustics D61
Особенности Origin Acoustics D61
- 2-х полосная встраиваемая в потолок акустическая система
- ВЧ динамик: 1 х 25 мм, изготовлен из шёлка
- НЧ/СЧ динамик: 1 х 165 мм, из полипропилена на резиновом подвесе
- Диаметр выреза: 222 мм
- Посадочная глубина: 94 мм
- Круглые защитные решетки (грили) белого цвета в комплекте
- Продается поштучно

Точные размеры Origin Acoustics D61
4. Monitor Audio C165
За незаметными грилями акустических систем скрываются фирменные низкочастотные динамики Monitor Audio и поворотные «золотые» твитеры C-CAM, которые были оптимизированы с помощью метода конечных элементов, что обеспечило широкую частотную характеристику и высокую эффективность. Потолочные колонки Monitor Audio прекрасно подходят для различного рода домашних и коммерческих инсталляций.
Встраиваемая в потолок акустическая система Monitor Audio C165
Особенности Monitor Audio C165
- 2-х полосная встраиваемая в потолок акустическая система
- ВЧ динамик: 1 х 25 мм, изготовлен из алюминиево-магниевого сплава с керамическим напылением
- НЧ/СЧ динамик: 1 х 165 мм, изготовлен из полипропилена с добавлением металлических частиц
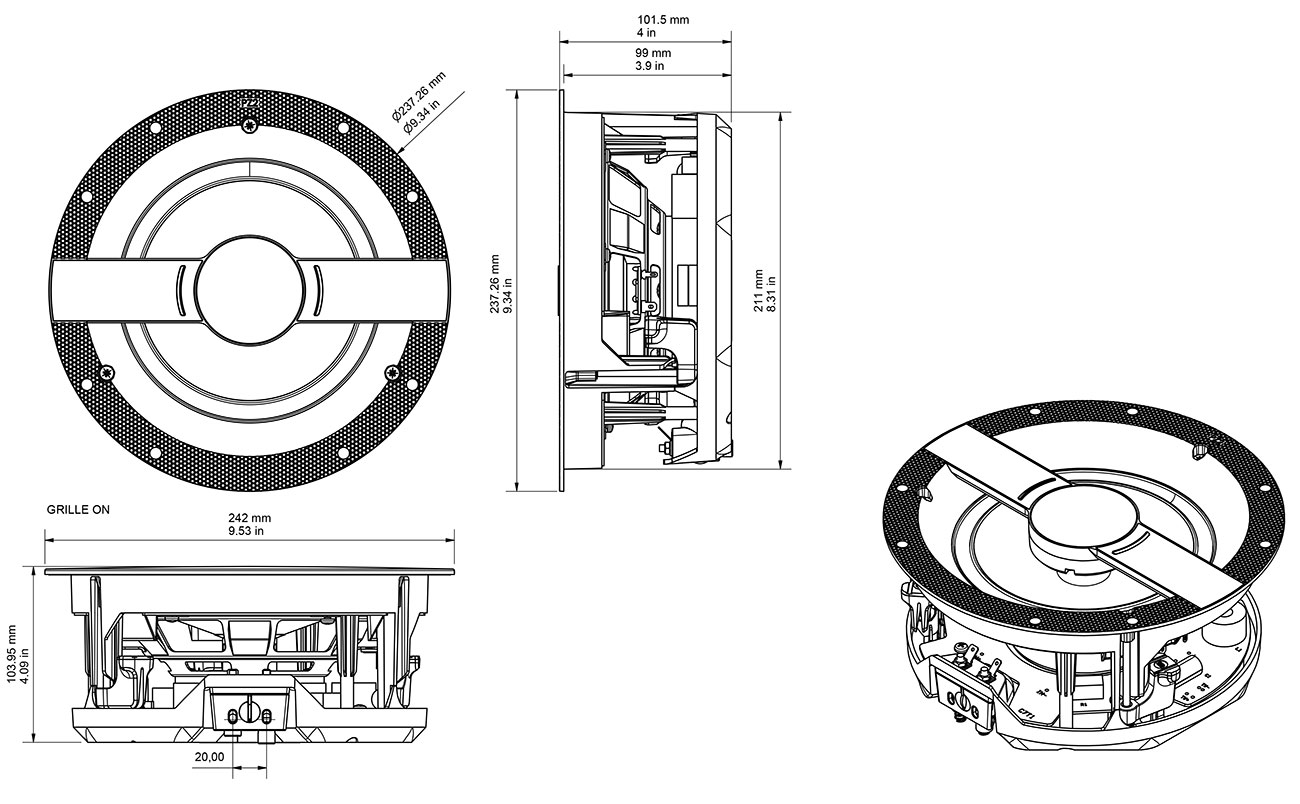
- Диаметр выреза: 211 мм
- Посадочная глубина: 114 мм
- Круглые защитные решетки (грили) белого цвета в комплекте
- Продается поштучно

Точные размеры Monitor Audio C165
Средний уровень
Данная акустика как правило используется в системах домашнего кинотеатра уровня премиум. Разумеется эта акустика так же обеспечивает превосходное звучание музыки, например на кухне или в спальне.
1. Klipsch PRO-160RPC
Оснащённая фирменным низкочастотным динамиком из полипропилена инжекционного литья с добавлением керамики и высокочастотным динамиком с титановым куполом в рупоре Tractrix®, потолочная акустика PRO-160RPC от американской компании Klipsch, обеспечивает невероятные акустические характеристики. Благодаря системе установки SecureFit, потолочные колонки Klipsch профессиональной серии Reference Premiere являются идеальным выбором для пользовательского домашнего аудио.
Встраиваемая в потолок акустическая система Klipsch PRO-160RPC
Особенности Klipsch PRO-160RPC
- 2-х полосная встраиваемая в потолок акустическая система
- ВЧ динамик: 1 х 25 мм, изготовлен из титана в рупоре Tractrix
- НЧ/СЧ динамик: 1 х 165 мм, изготовлен из полипропилена инжекционного литья с добавлением керамики
- Диаметр выреза: 202 мм
- Посадочная глубина: 113 мм
- Круглые и квадратные защитные решетки (грили) белого цвета в комплекте
- Продается поштучно

Точные размеры Klipsch PRO-160RPC
2. KEF Ci160RR-THX
Ci160RR-THX® - это потолочный громкоговоритель сверхвысокого качества с фирменной технологией Uni-Q от британской компании KEF, предназначенный для скрытой установки в потолок или в стену. Потолочная акустика KEF серии Ci-R и архитектурной акустической системой с сертификацией THX® Ultra, обеспечивающей исключительное качество звука при высокой выходной мощности.
Встраиваемая в потолок акустическая система KEF Ci160RR-THX
Особенности KEF Ci160RR-THX
- 2-х полосная встраиваемая в потолок акустическая система
- Сертифицирована THX
- ВЧ динамик: 1 х 25 мм, изготовлен из алюминия с воздушной камерой и волноводом Tangerine
- НЧ/СЧ динамик: 1 х 165 мм, изготовлен из алюминия по технологии Uni-Q
- Диаметр выреза: 196 мм
- Посадочная глубина: 110 мм
- Круглые защитные решетки (грили) белого цвета в комплекте
- Продается поштучно

Точные размеры KEF Ci160RR-THX
3. Monitor Audio C1M
Monitor Audio Creator: Премиальное звучание и совершенство монтажа. Британское качество звука теперь доступно в новом, еще более продуманном исполнении. Серия Creator базируется на ключевых разработках Monitor Audio, обеспечивая «живое» и детальное воспроизведение музыки. Используя технологии топовых корпусных колонок, Monitor Audio создали линейку, которая звучит невероятно реалистично и монтируется проще, чем когда-либо.
Встраиваемая в потолок акустическая система Monitor Audio C1M
Особенности Monitor Audio C1M
- 2-х полосная встраиваемая в потолок акустическая система
- ВЧ динамик: 1 х 25 мм, изготовлен из алюминиево-магниевого сплава с керамическим напылением C-Cam, покрытый золотом с волоноводом UD I
- НЧ/СЧ динамик: 1 х 178 мм, диффузор из алюминиево-магниевого сплава с керамическим напылением C-Cam на резиновом подвесе
- Диаметр выреза: 212 мм
- Посадочная глубина: 99 мм
- Круглые защитные решетки (грили) белого цвета в комплекте
- Продается поштучно
Точные размеры Monitor Audio C1M
4. Bowers & Wilkins CCM663
Эти акустические системы от британской Bowers & Wilkins, созданы той же самой командой, что сконструировала мониторы, используемые в самых передовых студиях звукозаписи, но оснащены ключевыми инсталляционными технологиями, которые облегчают их установку.
Потолочная акустика Bowers & Wilkins CCM663 оснащена 25 мм алюминиевым купольным ВЧ диффузором со спиральными нагрузочными трубами Nautilus®, который можно поворачивать для регулировки излучения на высоких частотах.
Встраиваемая в потолок акустическая система Bowers & Wilkins CCM663
Особенности Bowers & Wilkins CCM663
- 2-х полосная встраиваемая в потолок акустическая система
- ВЧ динамик: 1 х 25 мм, изготовлен из алюминия в нагрузочной трубе Nautilus®
- НЧ/СЧ динамик: 1 х 150 мм, изготовлен из кевлара синего цвета
- Диаметр выреза: 202 мм
- Посадочная глубина: 133 мм
- Круглые защитные решетки (грили) белого цвета в комплекте
- Квадратные защитные решетки опционально
- Продается парами

Точные размеры Bowers & Wilkins CCM663
Высший уровень
Этот уровень говорит сам за себя. Ниже представлены образцы самых лучших потолочных динамиков из доступных сегодня на рынке. Сфера применения этих акустических систем может быть совершенно любой, от стерео пары класса Hi-End до полноценного домашнего кинотеатра высочайшего уровня.
1. Sonance VX86R
Американская компания Sonance это четыре десятилетия успеха в области дизайна и инноваций, чтобы вдохновлять и переосмысливать технологию динамиков будущего. Sonance VX86R, первая встраиваемая потолочная акустическая система Sonance, разработанная с помощью итеративного сочетания моделирования и машинного обучения.
Встраиваемая в потолок акустическая система Sonance VX86R
Особенности Sonance VX86R
- 2-х полосная встраиваемая в потолок акустическая система
- ВЧ динамик: 1 х 30 мм керамический купол, акустическая задняя камера, охлаждение ферромагнитной жидкостью
- НЧ/СЧ динамик: 1 х 203 мм, конус из кевлара Nomex®, поворотный
- Диаметр выреза: 257 мм
- Посадочная глубина: 165 мм
- Круглые и квадратные защитные решетки (грили) двух типов в комплекте
- Продается парами

Точные размеры Sonance VX86R
2. Origin Acoustics D89
Улучшение звукового восприятия было в центре внимания команды Origin Acoustics на протяжении трех десятилетий. Эти дизайнеры и инженеры акустических систем имеют более 100 лет коллективного опыта, завоевали сотни наград за их усилия и изобрели многочисленные запатентованные технологии, которые значительно продвинули искусство воспроизведения звука. Невероятное качество звучания и характеристики потолочной акустики Origin Acoustics из коллекции Director 80 являются прямым результатом их страсти и преданности делу.
Встраиваемая в потолок акустическая система Origin Acoustics D89
Особенности Origin Acoustics D89
- 3-х полосная встраиваемая в потолок акустическая система
- ВЧ динамик: 1 х 30 мм изготовлен из шелка по технологии DSPD™, поворотный
- СЧ динамик: 1 х 102 мм, изготовлен из кевлара, поворотный
- НЧ динамик: 1 х 203 мм, изготовлен из кевлара
- Диаметр выреза: 224 мм
- Посадочная глубина: 142 мм
- Круглые защитные решетки (грили) белого цвета в комплекте
- Продается поштучно

Точные размеры Origin Acoustics D89
3. Martin Logan XTC8
Потолочная акустика Martin Logan — отличный выбор для высококачественной музыкальной системы всего дома или домашнего кинотеатра премиум-класса. Martin Logan XTC8 это уникальная комбинация высокопроизводительных драйверов и контролируемой дисперсии которая позволяет вам контролировать то где звук размещается в комнате, и обеспечивает еще лучшее звучание.
Встраиваемая в потолок акустическая система Martin Logan XTC8
Особенности Martin Logan XTC8
- 2-х полосная встраиваемая в потолок акустическая система
- ВЧ динамик: тонкопленочный преобразователь Folded Motion®
- СЧ/НЧ динамик: 1 х 203 мм, изготовлен из черного кевлара с подкладочным конусом из номекса
- Диаметр выреза: 235 мм
- Посадочная глубина: 139 мм
- Круглые защитные решетки (грили) белого цвета в комплекте
- Продается поштучно

Точные размеры Martin Logan XTC8
4. Focal 1000 ICW6
Встраиваемая в потолок акустическая система Focal 1000 ICW6 — это полностью интегрированное решение для высококачественного стереозвука и звука домашнего кинотеатра. Сделанная во Франции, она сочетает в себе эксклюзивные технологии, такие как W-образный диффузор среднечастотного/низкочастотного динамика из композитного волокна и ВЧ диффузор из чистого бериллия.
Встраиваемая в потолок акустическая система Focal 1000 ICW6
Особенности Focal 1000 ICW6
- 2-х полосная встраиваемая в потолок акустическая система
- ВЧ динамик: 1 х 25 мм, изготовлен из берилия
- СЧ/НЧ динамик: 1 х 165 мм, изготовлен из композитного волокна типа "сэндвич"
- Диаметр выреза: 216 мм
- Посадочная глубина: 100 мм
- Круглые и квадратные защитные решетки (грили) белого цвета в комплекте
- Продается поштучно

Точные размеры Focal 1000 ICW6
Маленький (но все же важный) раздел
Акустические боксы

Акустические боксы Audiobalance проектируются на заказ и могут быть различной формы и размера
Хотя производители акустических систем не считают применение акустических боксов или коробов обязательным, мы рекомендуем всегда устанавливать их если у вас есть такая возможность и вот почему:
- Акустический бокс уменьшает проникновение звука через перекрытие к вашим соседям. Внутренние стенки короба задемпифрованны полимерно-битумным покрытием, сам бокс изготовлен из прочного МДФ.
- Акустический бокс установленный на этапе возведения каркаса подвесного потолка облегчает последующий поиск места для выреза под потолочный динамик. Вы не будете искать место под вырез для потолочной акустики опасаясь наткнуться на металлические элементы потолочного каркаса.
- Размещение коробов согласно проектной привязке позволяет добиться точного расположения акустических систем на потолке. Если потолочный каркас будет построен вокруг бокса.
- Акустический бокс объем которого правильно подобран в соответствии с мощностью динамика и размером его диффузора, улучшает звучание потолочной акустики.
- Акустический короб обязателен если вы планируете устанавливать потолочную акустику в натяжной потолок. Не забудьте упомянуть о том какой у вас потолок при заказе боксов. Акустические боксы для натяжного потолка оснащаются специальным фланцем вокруг выреза под потолочный динамик.
В этой статье мы не упомянули:
Тонкие потолочные динамики
Особенности выбора тонких потолочных колонок
При планировании мультирум-системы или домашнего кинотеатра мы советуем закладывать отступ подвесного потолка от перекрытия не менее 10 см. Такой запас глубины открывает доступ к 80% моделей, представленных на рынке.
Если же технические условия позволяют опустить потолок только на 5 см или меньше, придется использовать специализированную ультратонкую акустику. Стоит учитывать, что такие решения — это всегда компромисс между компактными габаритами и качеством звука, а выбор моделей в этом сегменте существенно уже.

Тонкие потолочные динамики. Слева направо: Monitor Audio CSS230, Sonance VP52R UTL, Origin Acoustics TF37EX.
Итого:
- Минусы - меньше выходная мощность, ограниченный ассортимент.
- Плюсы - можно создать мультирум систему или домашний кинотеатр даже если расстояние за потолком сильно ограничено.
Стереофоническая встраиваемая акустика
Для небольших зон (например, санузлов), где физически невозможно разместить пару колонок, оптимальным решением станет установка одного стереофонического динамика. Распространенная ошибка — монтаж одной обычной колонки, что приводит к потере половины аудиоинформации (вы слышите только правый или только левый канал). Это сравнимо с прослушиванием музыки в одном наушнике.
Специализированные стереоколонки решают эту проблему: они оснащены двумя ВЧ-излучателями и подключаются двумя парами проводов, обеспечивая полноценное двухканальное звучание из одной точки.

В стереофонической встраиваемой акустике установлено два ВЧ динамика, один для правого, а другой для левого канала.
Итого:
- Минусы - узкая стереобаза, меньше мощность по сравнению с парой аналогичных динамиков.
- Плюсы - стереозвучание там где невозможно установить пару потолочных колонок.
Встраиваемая акустика для коммерческих объектов
Коммерческая акустика: почему она не подходит для дома?
Потолочные колонки для общественных пространств (ТЦ, офисов, вокзалов) проектируются исключительно для систем оповещения и фоновой трансляции. Главная цель производителей здесь — минимальная цена при массовых закупках, что неизбежно ведет к низкому качеству звука.
Технически коммерческая акустика адаптирована под специфику больших зданий: она работает с высоковольтными линиями (70/100 В) через встроенные понижающие трансформаторы. Эти компоненты вносят серьезные искажения, делая звучание «плоским» и немузыкальным. Мы категорически не советуем устанавливать подобные модели в жилых интерьерах, если ваша цель — качественное прослушивание музыки.

Снаружи, коммерческую акустику от домашней иногда можно отличить по внешнему виду защитной решетки (гриля).
Итого:
- Минусы - не подходит для домашнего использования, при продолжительном прослушивании музыки может вызывать неприятные ощущения, худшие характеристики по сравнению с домашней акустикой.
- Плюсы - цена для крупных коммерческих объектов, при домашнем использовании никаких.
Компания «Глобалаудио» предоставляет полный спектр услуг по созданию домашних аудиосистем «под ключ».
Наши компетенции:
- Стереосистемы по всему дому.
- Однозонные и многозонные аудио системы (Мультирум).
- Установка потолочных акустических систем.
- Подключение голосового помощника "Алиса" к потолочным колонкам.
- Установка беспроводной и Bluetooth встраиваемой акустики.
- Проектирование и установка домашних кинотеатров на встраиваемой акустике.
Наполните свой дом идеальным звучанием вместе с «Глобалаудио». Мы проектируем и устанавливаем аудиосистемы любой сложности: от лаконичных стереопар до масштабных мультирум-решений и скрытых домашних кинотеатров. Хотите управлять музыкой во всем доме прямо со смартфона? Современные встраиваемые и беспроводные технологии позволяют сделать это эстетично и просто. Мы возьмем на себя всё: от подбора оборудования под вашу планировку до финальной настройки. Ваш идеальный звук начинается с одного звонка!
Чтобы узнать больше о наших услугах, свяжитесь с Глобалаудио прямо сегодня.
Другие материалы по теме
Обзор первого ЖК-телевизора Pioneer в России
Свершилось! Плазменный бренд Pioneer стал просто телевизионным. Стал таковым он сразу после того, как объявил о своем решении выпускать жидкокристаллические телевизоры. Но все же, когда видишь своими глазами микроскопический телевизор (ну, по крайней мере на фоне огромных плазменных панелей 32 дюйма — это очень немного) с гордым лейблом Pioneer, поневоле начинаешь понимать, что в этой жизни что-то произошло.Лучший бюджетный AV-ресивер 2018 года
Мы протестировали 16 новых моделей, чтобы найти лучший AV-ресивер для создания или модернизации системы домашнего кинотеатра по разумной цене. Вот что мы рекомендуем.Тест обзор публикация Bowers & Wilkins CM7 CM5, CM9 и CM Centre 2
Майк Гоф - Наш подход к конструированию АС продиктован только одной целью: достичь наилучшего качества звучания в пределах предписанного бюджета. Это относится как к Серии 600, так и к CM Series, а также к 800-й Серии и вообще к любой акустике, которую мы выпускаем. Задача не в том, чтобы создать колонку немного лучше, чем та, что стоит ниже по рангу в линейке, или чуть лучше, чем у конкурентов – наша цель – создать самую лучшую акустику, на которую, возможно, мы способны.Обратная связь
Отправьте письмо нашему специалисту
Как мы можем к Вам обращаться?*
Куда Вам ответить?*
Ваше сообщение?*
с 10:00 до 19:00 по Москве
оперативные консультации
оперативные консультации
БЕСПЛАТНАЯ ДОСТАВКА
Бесплатная доставка по Москве или до офиса транспортной компании.
МЕТОДЫ ОПЛАТЫ
Наличный и безналичный расчет. Выставляем счета с НДС.
ОФИЦИАЛЬНЫЙ ДИЛЕР
Не беспокойтесь за свой выбор. У вас 14 дней на обмен товара.Нужна помощь?
с 10:00 до 19:00 по Москве
оперативные консультации
отвечаем в тот же день













.jpg)

.jpg)
